Citação: (palavras-chave: bateria de íon de lítio 18650) o monitor de qualidade da água de campo é um equipamento portátil de medição da qualidade da água, que pode testar a qualidade dos recursos hídricos e é um novo produto de proteção ambiental lançado nos últimos anos. Para o projeto de uma fonte de alimentação móvel confiável, o núcleo de íon de lítio Sanyo 18650 é a melhor escolha.
1. Requisitos de projeto:
O monitor de qualidade da água de campo é um equipamento portátil de medição da qualidade da água, que pode testar a qualidade dos recursos hídricos e detectar o grau de poluição da água. A principal parte de consumo de energia do instrumento inclui uma pequena bomba elétrica, misturador, dispositivo de aquecimento, parte de detecção e exibição. A corrente instantânea quando o equipamento é iniciado é grande, o valor de pico pode atingir 20A, a operação normal pode atingir 4-5A, e a bateria pode ser conectada por mais de 4 horas de trabalho contínuo, nossa empresa projetou especialmente uma bateria de íon de lítio portátil de alta capacidade com bateria Sanyo. A bateria tem as características de tamanho pequeno, alta capacidade, peso leve e longa vida útil. A corrente de partida de saída do projeto pode atingir 30A, a corrente de trabalho contínua pode atingir 7A, e a capacidade de carregamento é de 20,4Ah. Atende totalmente aos requisitos de energia de trabalho do instrumento.
2. Esquema de projeto:
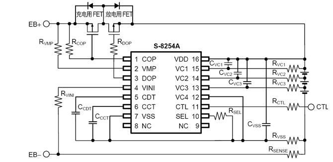
1) Placa de proteção (PCM): o desempenho de segurança da bateria é geralmente o problema mais preocupante do cliente. Devido às características químicas da própria bateria de lítio, a placa de proteção da bateria é equipada com medidas de segurança, como proteção contra sobrecarga, proteção contra descarga excessiva, proteção contra sobrecorrente, proteção contra curto-circuito e proteção contra sobretemperatura para garantir o desempenho de segurança da bateria em uso, de modo a evitar a combustão inesperada, explosão e outros riscos.
2) Chip de proteção da bateria IC: o principal chip de função de proteção do esquema de projeto, que pode monitorar a sobrecarga, descarga excessiva, sobrecorrente, curto-circuito e outras funções da célula on-line a qualquer momento. Faça o núcleo funcionar em uma faixa segura, estável e eficiente.
3) Célula de íon de lítio ICR18650 / Célula de íon de lítio ICR18650 (Sanyo).
4) Transistor de efeito de campo (MOS-FET): controlado diretamente pelo chip de proteção no circuito, desempenha um papel de comutação no processo de carregamento e descarregamento.
5) Embalagem da bateria: selagem térmica de PVC sem halogênio e ecologicamente correta.
6) Diagrama esquemático do esquema de projeto:
7) Diagrama de nível superior do PCB do esquema de projeto:

3. Diagrama de realização de produtos de bateria do monitor de qualidade da água de campo:
Todos os Produtos
-
Bateria de lítio LIFEPO4
-
Bateria de arranque-paragem
-
Pacote de Bateria de Íon Sódio
-
Bateria de lítio solar da luz de rua
-
Bateria de armazenamento do lítio da casa
-
Substituição acidificada ao chumbo da bateria de lítio
-
Bateria de lítio do veículo elétrico
-
Bateria de ferramentas eléctricas
-
Bateria de equipamento médico
-
Backup de bateria do Smart Home
-
Célula da bateria
-
Inversor da bateria da casa
Design da bateria do monitor de qualidade da água
September 15, 2022

