O monitor é um tipo de equipamento de monitoramento de sinais vitais, que monitora principalmente a saúde e as condições de saúde dos pacientes. É um equipamento médico essencial do hospital, especialmente o departamento de internação, que não pode ser desligado 24 horas por dia. A bateria de backup projetada por nossa empresa é feita principalmente de célula Bak, a primeira marca na China.
1. Requisitos de design:
Diferente do instrumento de monitoramento e diagnóstico, o monitor deve monitorar continuamente os parâmetros fisiológicos dos pacientes por 24 horas, detectar a tendência de mudança, apontar a situação crítica, fornecer a base para os médicos lidarem com emergências e realizar o tratamento, minimizar as complicações, alcançar o objetivo de aliviar e eliminar a doença e, ao mesmo tempo, monitorar e lidar com as condições antes e depois da medicação e da operação. É composto principalmente por concha de superfície, tela, sonda, módulo, bateria e programa. Em condições normais de trabalho, a corrente não é de cerca de 1A, e o valor de pico pode chegar a 3-4A, o que precisa ser capaz de funcionar continuamente por pelo menos 3 horas. Portanto, nossa empresa projetou uma bateria de caixa para clientes com a primeira marca BAK Battery na China. A bateria é pequena em tamanho, leve e pesada. A corrente de trabalho contínua pode atingir 6-8A, e a capacidade pode atingir 4400mAh, o que pode atender totalmente à demanda de energia deste equipamento.
2. Esquema de design:
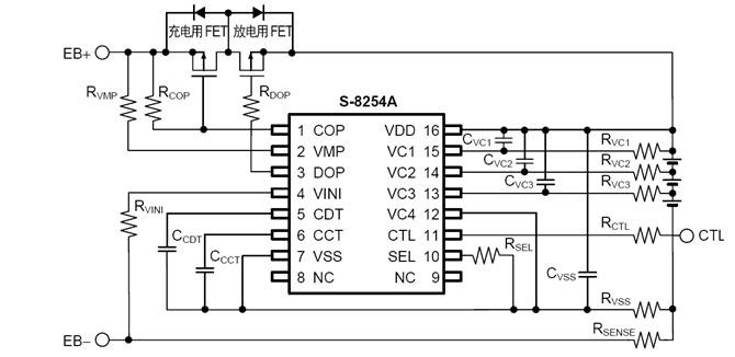
1) placa de proteção (PCM): o desempenho de segurança é geralmente o problema mais preocupante dos clientes. Devido às características químicas da própria bateria de lítio, a placa de proteção da bateria é equipada com medidas de segurança, como proteção contra sobrecarga, proteção contra descarga excessiva, proteção contra sobrecorrente, proteção contra curto-circuito e proteção contra temperatura excessiva para garantir o desempenho de segurança da bateria em uso, de modo a evitar a combustão inesperada, explosão e outros perigos 。
2) módulo de gerenciamento de tensão / corrente (IC): IC Seiko japonês, que conduz o monitoramento on-line e em tempo real da sobrecarga, descarga excessiva, sobrecorrente, curto-circuito e outras funções do núcleo elétrico. Faça o núcleo funcionar em uma faixa segura, estável e eficiente.
3) Célula de íon de lítio / célula de íon de lítio ICR18650 (Sanyo).
4) transistor de efeito de campo (MOS): é controlado diretamente pelo chip de proteção no circuito e desempenha um papel de comutação no processo de carregamento e descarregamento.
5) embalagem da bateria: é usado selo térmico de PVC sem halogênio e ecologicamente correto.
6) Diagrama esquemático do esquema de design:
7) Diagrama de nível superior do PCB do esquema de design:
3. Diagrama de realização de produtos de bateria de monitor de equipamentos médicos:
Todos os Produtos
-
Bateria de lítio LIFEPO4
-
Bateria de arranque-paragem
-
Pacote de Bateria de Íon Sódio
-
Bateria de lítio solar da luz de rua
-
Bateria de armazenamento do lítio da casa
-
Substituição acidificada ao chumbo da bateria de lítio
-
Bateria de lítio do veículo elétrico
-
Bateria de ferramentas eléctricas
-
Bateria de equipamento médico
-
Backup de bateria do Smart Home
-
Célula da bateria
-
Inversor da bateria da casa
Design da bateria do monitor
September 14, 2022

